Capçalera de caixa de 2,54 mm amb connector de postes
Producte BHDS07-XXXXXX Atributs Capacitat de subministrament i informació addicionalEmbalatge i lliurament
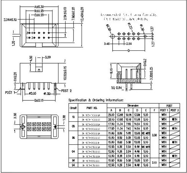
Descripció
Atributs del producte
Núm. de model: BHDS 07-XXXXXX Marca: ANTENKTipus d'interfície: AC/DCCaixa: PlasticPin: BrassPoles: OtherApplication: OtherCertificació: OtherGender: HomeMaterial: BrassSupport Número de targeta: OtherFreqüència operativa: High FrequencyClassification: Other
Capacitat de subministrament i informació addicional
Embalatge: embalatge de bosses, embalatge de tubs, embalatge de bobines Productivitat: 100000K/mes Transport: Oceà, Lloc d'origen aeri: Xina Capacitat de subministrament: 100000K/mesCertificat: ISO9001HS Codi: 8536909000Tipus de pagament: T/WeCCAmPaypal, WeCCAm, F.
Embalatge i lliurament
Unitats de venda:
Bossa/Bosses
Tipus de paquet:
embalatge de bosses, embalatge de tubs, embalatge de bobines
Shenzhen Antenk Electronics Co., Ltd. va llançar una capçalera de caixa de 2,54 mm de 180 graus H=10.52 mm amb Post Electronics, la vaca senzilla sol estar composta per una presa de plàstic quadrada i una sèrie d'agulles quadrades disposades ordenadament. La diferència entre el connector de vaca simple i el connector de banya és que la banya simple elimina les sivelles dels dos costats.

P: Quin és el vostre termini de lliurament?
R: El nostre termini de lliurament normal és FOB Xiamen. També acceptem EXW, CFR, CIF, DDP, DDU, etc. T'oferirem les despeses d'enviament i podràs triar el que sigui més convenient i eficaç per a tu.
P: Quin és el vostre servei postvenda?
R: El nostre període de garantia de qualitat és d'un any. Qualsevol problema de qualitat es resoldrà a la satisfacció del client.




Enviar la consulta
Potser també t'agrada










